
发卖:19224886408
发卖:17346546283
活儿:18611287598
发传真:010-68465926
Q Q:3226344213
qq邮件:info@cathaypigments-fc.cn
场所:青岛市海淀区大慧寺11号北区20号楼另一层105室


一、概述:
HMLDM-SJ20HT-PN型温度低环境激光器测距仪特意代替温度低环境固态垃圾、溶液的价值、尽寸、相对高度的勘界。途经方式profinet通迅体例将数据信息视频传输为本位空压机系。● 丈量低温物体,能坚持(chi)很高(gao)的丈量精度和靠得住性
● 丈量ꦰ(liang)精(jing)度±1mmꦡ,分(fen)辩(bian)率0.1mm
● 利(li🍎)用白色可见激光(guang)束,丈(zhang)量规模(mo)可达20米(mi)
● 规(gui)范的profinet接口,矫捷靠得住
● 不(bu)锈钢(gang)外(wai)壳,可通水、气停止冷(leng)却(que)
二、手艺数据:
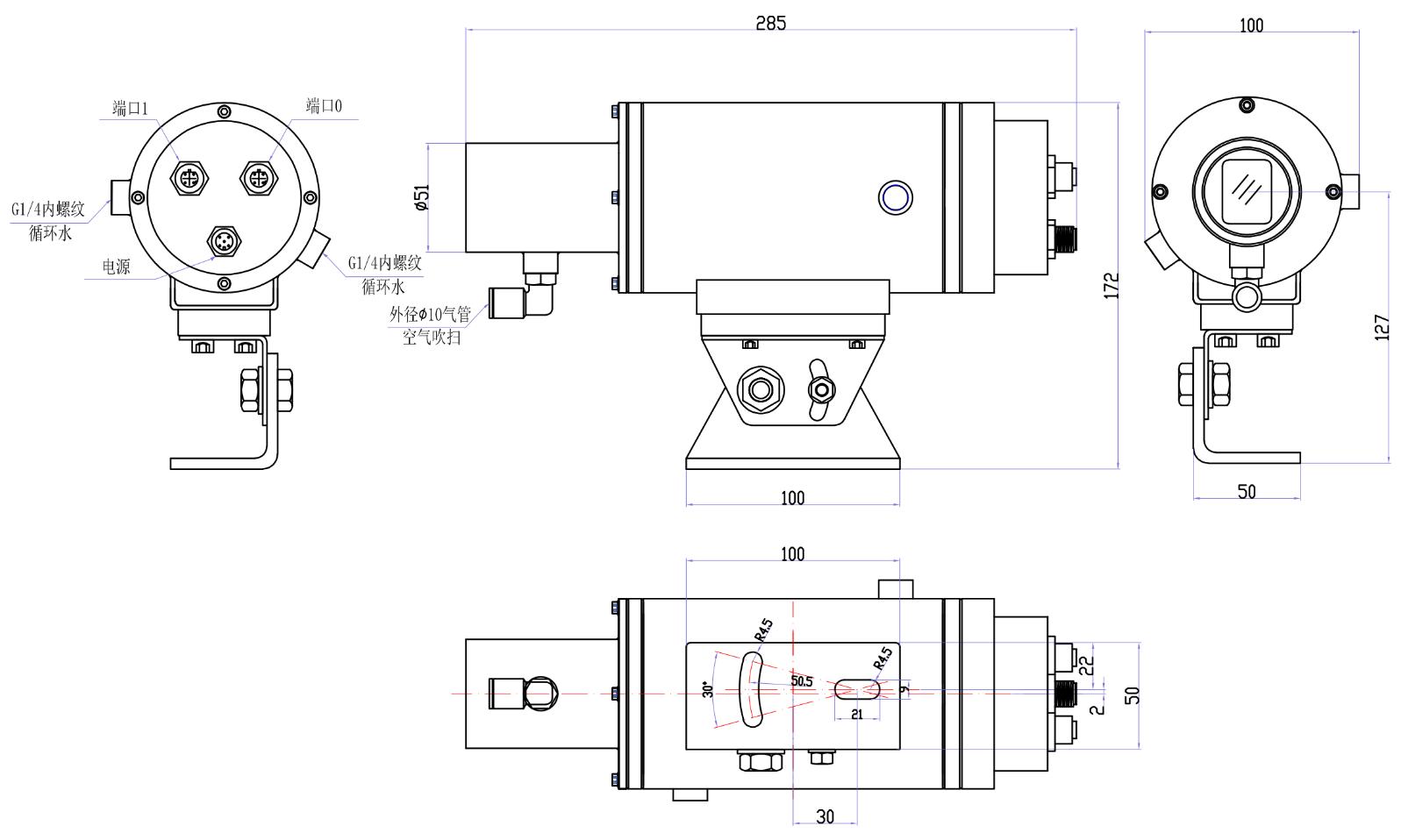
三、形状尺寸:
四、可选附件:



