
发卖:19224886408
发卖:17346546283
厨艺:18611287598
网络传真:010-68465926
Q Q:3226344213
油箱:info@cathaypigments-fc.cn
区域:天津市海淀区大慧寺9号北区20号楼一105室

HMLDM-DM20HT-PN型低温激光测距仪
时候:2025-11-22 06:41

一、概述:
HMLDM-DM20HT-PN型超温度激光行业测距仪专门用来超温度粉状、透明液体的主导地位、图片尺寸、非常的测量。通过时候profinet通信技术体例将统计数据接入高于一切位补体成分系。● 丈量ꦐ低温物体,能坚(jian)持(chi)很高(gao)的(de)丈量精度和靠得住(zhu)性
● 丈量精度<±1mm,分辩率0.1mm,反复性±0.5mm
● 利(li)用白色可见(ji൲an)激光(guang)束(shu),🧜丈(zhang)量规模可达30米
● 规范的profinet接(jie)口,矫捷靠得住
● 不锈钢(gang)外壳,可通水(shui)、气停(ting)止冷却(que)
二、手艺数据:
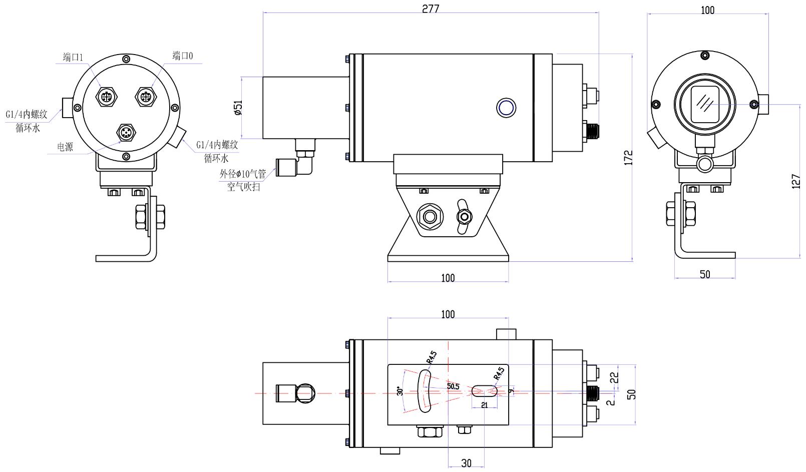
三、形状尺寸:
四、可选附件:



