
发卖:19224886408
发卖:17346546283
厨艺:18611287598
网络传真:010-68465926
Q Q:3226344213
邮件:info@cathaypigments-fc.cn
地区:首都市海淀区大慧寺11号北区20号楼一半105室


一、概述:
GOLDS-10AL型机光铝水液位计能够用于对各项工程下的铝水液面高速中止仗量。● 开(kai)关量、摹拟量电(dian)压或(huo)电(dian)流(liu)🌜三种旌旗灯(deng)号(hao)输入体例
● 丈量精(jing)度<±2mm,分(fen)辩(bian)率(lv)1mm
● 利用白(bai)色可(ke)(ke)见激光束,丈量规模可(ke)(ke)达10米
● 四位数码显现,按键设置参数,易于(yu)操纵
● 产业级外壳,规范快插(cha)接口(kou),可通(tong)紧(jin)缩氛围冷却
二、手艺数据:
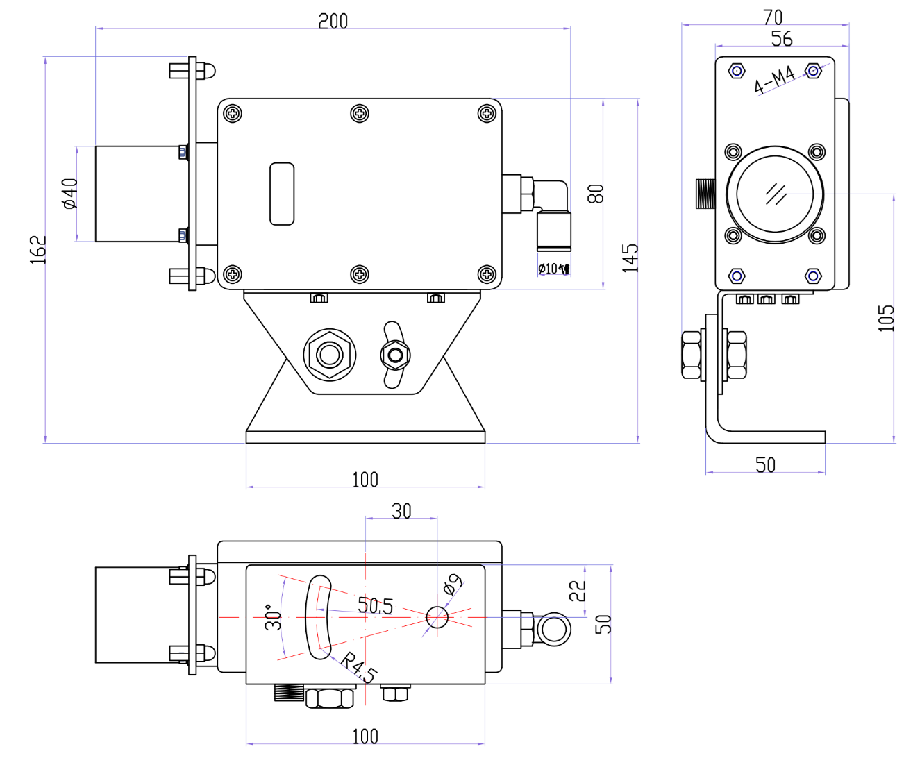
三、形状尺寸:
四、可选附件:



