
发卖:19224886408
发卖:17346546283
学手艺:18611287598
传真机:010-68465926
Q Q:3226344213
邮件:info@cathaypigments-fc.cn
路线:上海市市海淀区大慧寺11号北区20号楼两层105室

GOLDY-10AF-MC型激光铝水液位计
时候:2025-11-22 06:33

一、概述:
GOLDY-10AF-MC型脉冲激光铝水液位计能作于对几大类铝锻炉、铝液流槽、铝浇铸等工程状况下的铝水液面高速立即停止仗量。🍒● RS485Modbus、4~20mA、RS232三种(zhong)旌旗(qi)灯号输入体例
● 丈量精度<±1mm,分辩(bian)率0.1mm
● 利用(yong)白色可(ke)见激(ji)光束,丈(zhang)量规模可(ke)达10米
● 可调(diao)节支架,易(yi)于装置调(diao)剂
● 双层合金铝(lv)外壳,规范(fan)快插接口,可通紧(jin)缩氛围冷(l꧟eng)却和光路吹扫
二、手艺数据:
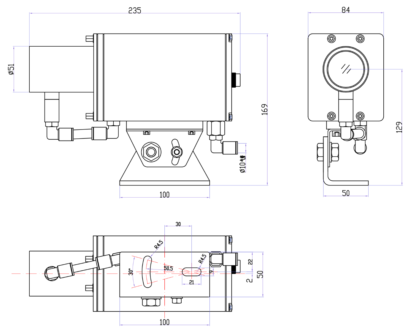
三、形状尺寸:
四、可选附件:



